Запасные части ЧТЗ Запасные части ЧТЗ
Сыктывкар
Например:
Актобе
Алдан
или
Выбрать автоматически
Актобе
Алдан
Алматы
Алчевск
Архангельск
Астана
Астрахань
Атырау
Баку
Балашиха
Барнаул
Белгород
Бердянск
Бишкек
Владивосток
Владикавказ
Воркута
Воронеж
Горловка
Грозный
Донецк
Екатеринбург
Иваново
Ижевск
Иркутск
Казань
Калининград
Каменск-Уральский
Караганда
Каховка
Кемерово
Киров
Комсомольск-на-Амуре
Костанай
Краснодар
Красноярск
Красный луч
Ленск
Луганск
Магадан
Магнитогорск
Макеевка
Махачкала
Мелитополь
Минск
Мирный (Якутия)
Москва
Мурманск
Нерюнгри
Нижневартовск
Нижний Новгород
Нижний Тагил
Новая каховка
Новокузнецк
Новосибирск
Новый Уренгой
Норильск
Ноябрьск
Нур-Султан
Омск
Оренбург
Ош
Павлодар
Пермь
Петрозаводск
Петропавловск
Петропавловск-Камчатский
Псков
Ростов-на-Дону
Салехард
Самара
Санкт-Петербург
Саратов
Севастополь
Семей
Симферополь
Сочи
Ставрополь
Сургут
Сыктывкар
Тараз
Ташкент
Токмак
Томск
Тында
Тюмень
Ульяновск
Усинск
Усть-Каменогорск
Уфа
Хабаровск
Ханты-Мансийск
Херсон
Челябинск
Чита
Шымкент
Экибастуз
Энергодар
Южно-Сахалинск
Якутск
Ваш город
Сыктывкар
Войти
Запасные части к тракторам на одном сайте
+7 (932) 303-00-10
+7 (932) 303-00-10
г. Сыктывкар, Сысольское шоссе, д. 33
Пн-Пт: 9:30-18:30 Cб-Вс: Выходной
Отправить заявку


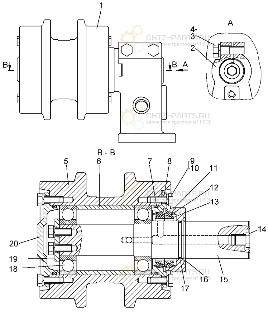
Каток поддерживающий на Б12


/
с НДС 20%
Описание
Каток поддерживающий на Б12
Поз. Обозначение Наименование Кол-во
- 64-21-209СП Каток поддерживающий 1
1 64-21-208СП Каток поддерживающий 1
2 50-21-314-01 Кронштейн 1
3 Болт М20×1,5х62 2
4 Шайба 20 ОТ 65Г 09 2
5 50-21-417СП Ролик 1
6 Кат-21-212 Втулка дистанционная 1
7 Кат-21-60-02; Кат-21-60-03 Кольцо 2
8 64-21-170 Шайба упорная 1
9 2816 Болт 14
10 Шайба 12 Т 65Г 09 14
11 64-21-169 Лабиринт 1
12 Кат-21-57 Кольцо 2
13 Кат-21-31; Кат-21-43 Кольцо 2
14 700-37-2240 Пробка 1
15 64-21-155-01 Ось 1
16 700-58-2659 Кольцо 1
17 Кат-21-60-07 Кольцо 1
18 Подшипник 311 2
19 64-21-156 Пластина 1
20 50-21-436 Крышка 1
Каток поддерживающий