Запасные части ЧТЗ Запасные части ЧТЗ
Сыктывкар
Например:
Актобе
Алдан
или
Выбрать автоматически
Актобе
Алдан
Алматы
Алчевск
Архангельск
Астана
Астрахань
Атырау
Баку
Балашиха
Барнаул
Белгород
Бердянск
Бишкек
Владивосток
Владикавказ
Воркута
Воронеж
Горловка
Грозный
Донецк
Екатеринбург
Иваново
Ижевск
Иркутск
Казань
Калининград
Каменск-Уральский
Караганда
Каховка
Кемерово
Киров
Комсомольск-на-Амуре
Костанай
Краснодар
Красноярск
Красный луч
Ленск
Луганск
Магадан
Магнитогорск
Макеевка
Махачкала
Мелитополь
Минск
Мирный (Якутия)
Москва
Мурманск
Нерюнгри
Нижневартовск
Нижний Новгород
Нижний Тагил
Новая каховка
Новокузнецк
Новосибирск
Новый Уренгой
Норильск
Ноябрьск
Нур-Султан
Омск
Оренбург
Ош
Павлодар
Пермь
Петрозаводск
Петропавловск
Петропавловск-Камчатский
Псков
Ростов-на-Дону
Салехард
Самара
Санкт-Петербург
Саратов
Севастополь
Семей
Симферополь
Сочи
Ставрополь
Сургут
Сыктывкар
Тараз
Ташкент
Токмак
Томск
Тында
Тюмень
Ульяновск
Усинск
Усть-Каменогорск
Уфа
Хабаровск
Ханты-Мансийск
Херсон
Челябинск
Чита
Шымкент
Экибастуз
Энергодар
Южно-Сахалинск
Якутск
Ваш город
Сыктывкар
Войти
Запасные части к тракторам на одном сайте
+7 (932) 303-00-10
+7 (932) 303-00-10
г. Сыктывкар, Сысольское шоссе, д. 33
Пн-Пт: 9:30-18:30 Cб-Вс: Выходной
Отправить заявку


Установка тележек на Б12


/
с НДС 20%
Описание
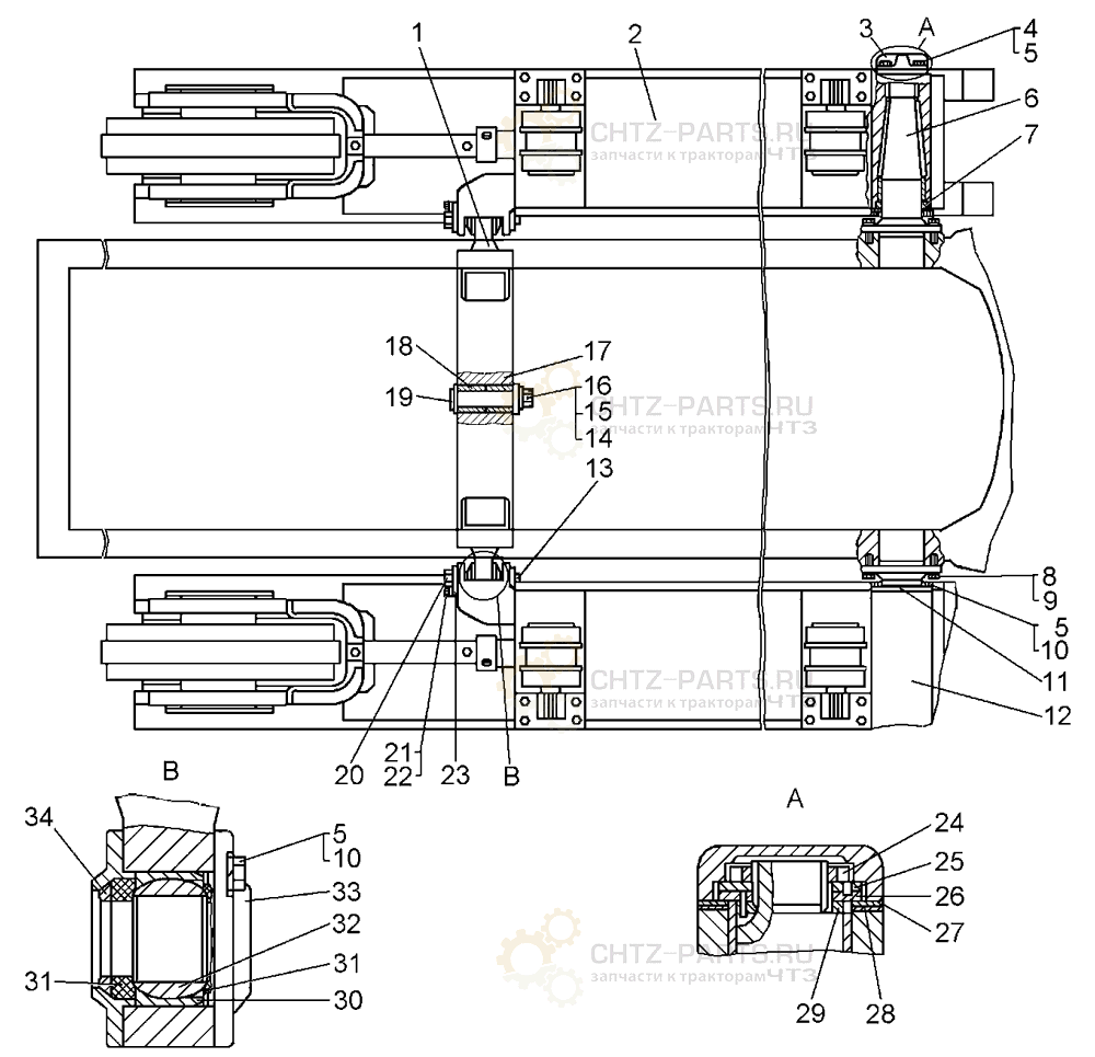
Установка тележек на Б12
Поз. Обозначение Наименование Кол-во
1 64-20-105-01СП Установка балки 1
2 48-21-16СП Тележка (правая) 1
3 60-19-9-01 Крышка 2
4 28648 Болт 8
5 Шайба 12 ОТ 65Г 09 32
6 64-20-15-01 Полуось 2
7 700-42-2724-01 Кольцо 2
8 Болт М24-8g×75.88.45.019 28
9 Шайба 24 Т 65Г 09 20
10 Болт М12×25.58.019 24
11 64-20-16 Крышка 2
12 48-21-15СП Тележка (левая) 1
13 64-20-12 Палец 2
14 700-31-2613 Шайба 1
15 700-30-2352 Гайка 1
16 Шплинт 8×80 1
17 64-20-106-01СП Балка 1
18 20733 Втулка 2
19 64-20-13 Палец 1
20 700-30-2275 Гайка 2
21 Болт М10-6g×25.58.019 4
22 Шайба 10 ОТ 65Г 09 4
23 64-20-14 Стопор 2
24 19457-01 Гайка 2
25 60-19-103СП Стопор 2
26 60-19-104СП Фиксатор 2
27 15-19-30 Прокладка 4
28 700-40-2165 Прокладка 2
29 19458 Прокладка 16
30 64-20-8 Обойма 2
31 700-42-2873 Сальник 8
32 64-20-9 Шарнир 2
33 64-20-19 Крышка 4
34 64-20-10 Кольцо 4
Установка тележек