Запасные части ЧТЗ Запасные части ЧТЗ
Сыктывкар
Например:
Актобе
Алдан
или
Выбрать автоматически
Актобе
Алдан
Алматы
Алчевск
Архангельск
Астана
Астрахань
Атырау
Баку
Балашиха
Барнаул
Белгород
Бердянск
Бишкек
Владивосток
Владикавказ
Воркута
Воронеж
Горловка
Грозный
Донецк
Екатеринбург
Иваново
Ижевск
Иркутск
Казань
Калининград
Каменск-Уральский
Караганда
Каховка
Кемерово
Киров
Комсомольск-на-Амуре
Костанай
Краснодар
Красноярск
Красный луч
Ленск
Луганск
Магадан
Магнитогорск
Макеевка
Махачкала
Мелитополь
Минск
Мирный (Якутия)
Москва
Мурманск
Нерюнгри
Нижневартовск
Нижний Новгород
Нижний Тагил
Новая каховка
Новокузнецк
Новосибирск
Новый Уренгой
Норильск
Ноябрьск
Нур-Султан
Омск
Оренбург
Ош
Павлодар
Пермь
Петрозаводск
Петропавловск
Петропавловск-Камчатский
Псков
Ростов-на-Дону
Салехард
Самара
Санкт-Петербург
Саратов
Севастополь
Семей
Симферополь
Сочи
Ставрополь
Сургут
Сыктывкар
Тараз
Ташкент
Токмак
Томск
Тында
Тюмень
Ульяновск
Усинск
Усть-Каменогорск
Уфа
Хабаровск
Ханты-Мансийск
Херсон
Челябинск
Чита
Шымкент
Экибастуз
Энергодар
Южно-Сахалинск
Якутск
Ваш город
Сыктывкар
Войти
Запасные части к тракторам на одном сайте
+7 (932) 303-00-10
+7 (932) 303-00-10
г. Сыктывкар, Сысольское шоссе, д. 33
Пн-Пт: 9:30-18:30 Cб-Вс: Выходной
Отправить заявку


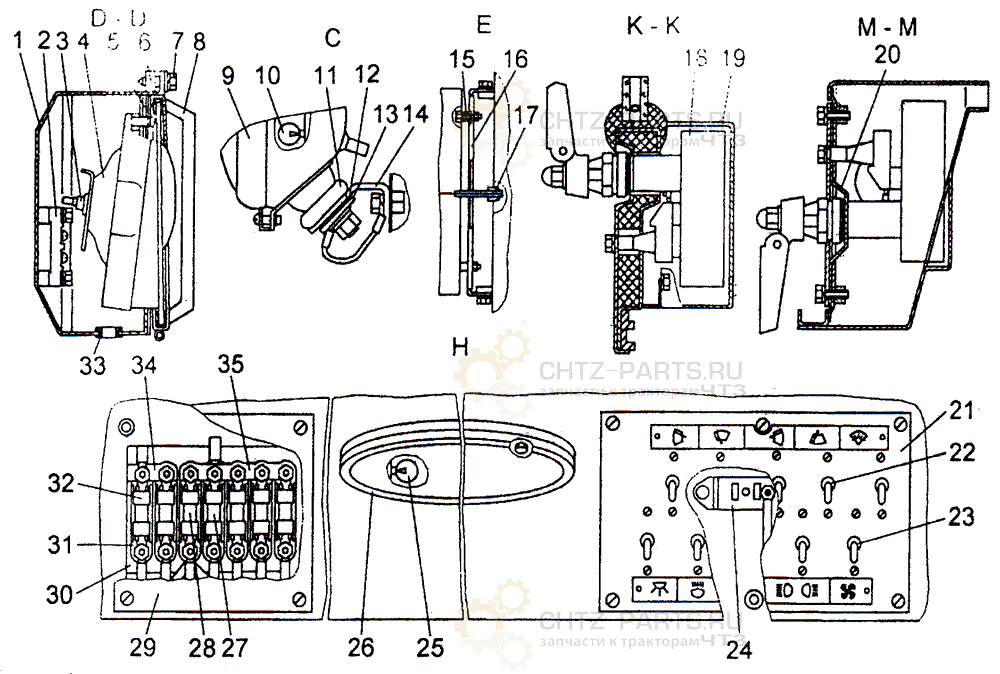
Электрооборудование кабины на ДЭТ-320


/
с НДС 20%
Описание
Электрооборудование кабины ДЭТ-320
Поз. Обозначение Наименование Кол.
- 749-95-3СП Электрооборудование кабины -
1 714-95-c6120-01 Фара 4
2 749-95-126СП Опора 1
3 - Сигнальный проблесковый маяк Сполох 1
4 730-95-42 Перемычка 1
5 749-95-125СП Жгут 1
6 - Пантографное устройство стеклоочистителя 40.5205.800-05 2
7 - Пантографное устройство стеклоочистителя 40.5205.800-03 2


Электрооборудование кабины ДЭТ-320

Поз. Обозначение Наименование Кол.
1 714-95-c6121 Коробка 4
2 - Панель соединительная 14.3723 4
3 - Лампа AKΓ24-70(H1) 8
4 - Блок-фара 3301.3711010 4
5 714-95-5 Прокладка 4
6 714-95-69 Уплотнение 4
7 700-28-808 Болт 8
8 714-95-c6114 Ограждение фары 4
9 - Фара 761.3711 5
10 - Лампа А24-55+50 5
11 700-42-2345 Опора 5
12 700-40-3667 Кольцо 5
13 24-10-44 Шайба 5
14 749-95-25 Кронштейн 5
15 4368-0612 Бонка 6×12×12 16
16 748-95-2 Кронштейн 4
17 748-10-389 Амортизатор 8
18 - Моторедуктор стеклоочистителя 02.3730-02 4
19 714-95-58 Кожух 2
20 749-95-112СП Крышка 2
21 749-95-117СП Крышка 1
22 - Переключатель ПП-45М 4
23 - Выключатель В-45М 6
24 - Панель соединительная 16.3723.000 1
25 - Лампа А24-21-3 2
26 - Плафон П1-3714010-02 2
27 - Предохранитель ПВ-6, УХЛЗ, 30В 1
28 - Предохранитель ПВ-20, УХЛЗ, 30В 5
29 749-59-107-01СП Крышка 1
30 748-95-1 Панель 1
31 - Блок защиты Б3-30УХЛ2 30В 7
32 - Предохранитель ПВ-6, УХЛЗ, 30В 2
33 720-88-1 Втулка 8
34 749-95-18 Шинка 1
35 749-95-5-01 Шинка 1
Электрооборудование кабины