Запасные части ЧТЗ Запасные части ЧТЗ
Сыктывкар
Например:
Актобе
Алдан
или
Выбрать автоматически
Актобе
Алдан
Алматы
Алчевск
Архангельск
Астана
Астрахань
Атырау
Баку
Балашиха
Барнаул
Белгород
Бердянск
Бишкек
Владивосток
Владикавказ
Воркута
Воронеж
Горловка
Грозный
Донецк
Екатеринбург
Иваново
Ижевск
Иркутск
Казань
Калининград
Каменск-Уральский
Караганда
Каховка
Кемерово
Киров
Комсомольск-на-Амуре
Костанай
Краснодар
Красноярск
Красный луч
Ленск
Луганск
Магадан
Магнитогорск
Макеевка
Махачкала
Мелитополь
Минск
Мирный (Якутия)
Москва
Мурманск
Нерюнгри
Нижневартовск
Нижний Новгород
Нижний Тагил
Новая каховка
Новокузнецк
Новосибирск
Новый Уренгой
Норильск
Ноябрьск
Нур-Султан
Омск
Оренбург
Ош
Павлодар
Пермь
Петрозаводск
Петропавловск
Петропавловск-Камчатский
Псков
Ростов-на-Дону
Салехард
Самара
Санкт-Петербург
Саратов
Севастополь
Семей
Симферополь
Сочи
Ставрополь
Сургут
Сыктывкар
Тараз
Ташкент
Токмак
Томск
Тында
Тюмень
Ульяновск
Усинск
Усть-Каменогорск
Уфа
Хабаровск
Ханты-Мансийск
Херсон
Челябинск
Чита
Шымкент
Экибастуз
Энергодар
Южно-Сахалинск
Якутск
Ваш город
Сыктывкар
Войти
Запасные части к тракторам на одном сайте
+7 (932) 303-00-10
+7 (932) 303-00-10
г. Сыктывкар, Сысольское шоссе, д. 33
Пн-Пт: 9:30-18:30 Cб-Вс: Выходной
Отправить заявку


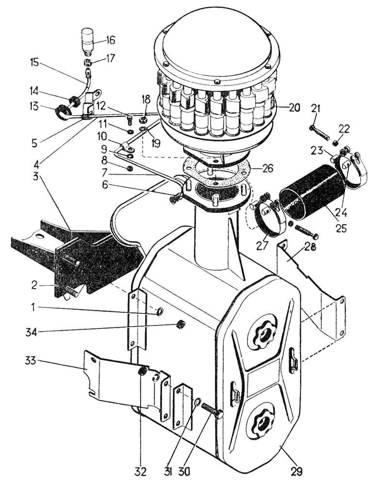
Установка воздухоочистителя на Т-130


/
с НДС 20%
Описание
Установка воздухоочистителя на Т-130
# Номер запчасти Наименование детали Кол-во в сборке
- 51-05-ЗСП Установка воздухоочистителя и коллекторов 1
- 51-05-109СП Установка воздухоочистителя 1
- 51-05-113СП Болт стяжной 2
- 51-05-115СП Хомут 2
- 51-05-146СП Установка сигнализатора 1
1 - Шайба 120Т 65 Г 09 4
2 700-40-5755 Прокладка 1
3 51-05-106СП Кронштейн 1
4 700-40-6726 Трубка 1
5 16-25-13 Хомут 1
6 41181 Ниппель 1
7 51-05-148СП Трубка 1
8 - Гайка М8.6.019 2
9 - Шайба 8Т 65 Г 09 2
10 700-41-2760 Хомутик 2
11 31386 Шайба 2
12 - Болт M8X20.58.019 2
13 41879 Кольцо 1
14 700-40-4995-1 Втулка 1
15 51-05-147СП Трубка 1
16 - Сигнализатор засоренности воздухоочистителя ОР-9928-1 1
17 - Гайка М14Х1,5.6.019 2
18 - Гайка М10.6.019 5
19 - Шайба 10ОТ 65 Г 09 5
20 16-05-320СП Мультициклон 1
21 700-28-2377 Болт 2
22 51-05-35 Втулка 2
23 51-05-39 Серьга 2
24 51-05-38 Серьга 2
25 700-40-3484 Рукав 1
26 700-40-4621 Прокладка 1
27 51-05-114СП Лента 2
28 51-05-5 Кронштейн правый 1
29 51-05-139СП Воздухоочиститель 1
30 - Болт М12Х25.58.019 4
31 3135 Шайба 4
32 3011 Гайка 4
33 51-05-6 Кронштейн левый 1
34 - Гайка М12Х1,25.6.019 4

Установка воздухоочистителя