Запасные части ЧТЗ Запасные части ЧТЗ
Сыктывкар
Например:
Актобе
Алдан
или
Выбрать автоматически
Актобе
Алдан
Алматы
Алчевск
Архангельск
Астана
Астрахань
Атырау
Баку
Балашиха
Барнаул
Белгород
Бердянск
Бишкек
Владивосток
Владикавказ
Воркута
Воронеж
Горловка
Грозный
Донецк
Екатеринбург
Иваново
Ижевск
Иркутск
Казань
Калининград
Каменск-Уральский
Караганда
Каховка
Кемерово
Киров
Комсомольск-на-Амуре
Костанай
Краснодар
Красноярск
Красный луч
Ленск
Луганск
Магадан
Магнитогорск
Макеевка
Махачкала
Мелитополь
Минск
Мирный (Якутия)
Москва
Мурманск
Нерюнгри
Нижневартовск
Нижний Новгород
Нижний Тагил
Новая каховка
Новокузнецк
Новосибирск
Новый Уренгой
Норильск
Ноябрьск
Нур-Султан
Омск
Оренбург
Ош
Павлодар
Пермь
Петрозаводск
Петропавловск
Петропавловск-Камчатский
Псков
Ростов-на-Дону
Салехард
Самара
Санкт-Петербург
Саратов
Севастополь
Семей
Симферополь
Сочи
Ставрополь
Сургут
Сыктывкар
Тараз
Ташкент
Токмак
Томск
Тында
Тюмень
Ульяновск
Усинск
Усть-Каменогорск
Уфа
Хабаровск
Ханты-Мансийск
Херсон
Челябинск
Чита
Шымкент
Экибастуз
Энергодар
Южно-Сахалинск
Якутск
Ваш город
Сыктывкар
Войти
Запасные части к тракторам на одном сайте
+7 (932) 303-00-10
+7 (932) 303-00-10
г. Сыктывкар, Сысольское шоссе, д. 33
Пн-Пт: 9:30-18:30 Cб-Вс: Выходной
Отправить заявку


Пусковой двигатель ЧТЗ


/
с НДС 20%
Описание

Пусковой двигатель предназначен для быстрого и надежного запуска дизеля.



Коленчатый вал дизеля проворачивают с определенной частотой, равной 200—250 мин-1 и необходимой для обеспечения заполнения цилиндров свежим воздухом, его сжатия, распыливания и воспламенения топлива. Двигатель прикреплен к блоку дизеля с левой стороны и состоит из следующих основных частей: собственно пускового двигателя (рис. 43), механизма силовой передачи, сцепления 10, редуктора с механизмом включения и пускового приспособления 17 (дублирующий запуск).

Рис. 43. Пусковой двигатель П-23У Т-130М


1 — блок—картер,
2 — головка цилиндров,
3 — карбюратор,
4 — воздухоочиститель,
5 — электростартер,
6 — валик включения сцепления,
7 — редуктор,
8, 28 — сапун,
9 — шестерня механизма включения,
10 — сцепление,
11 — валик переключения передач в редукторе,
12 — масломерная линейка,
13, 15, 16 — спускная пробка,
14 — пробка заливного отверстия смазки,
17 — пусковое приспособление (дублирующий запуск),
18 — впускной и выпускной коллекторы,
19 — спускные пробки картера,
20 — масломерная линейка,
21 — маслозаливная горловина,
22 — магнето,
23 — регулировочный винт натяжения пружины регулятора,
24 — регулятор,
25 — наружный рычаг регулятора,
26 — кожух шестерен распределения,
27 — тяга регулятора.

Двухцилиндровый, четырехтактный, карбюраторный пусковой двигатель марки П-23У имеет частоту вращения 2300—2500 мин-1. Во время работы его вращение от коленчатого вала передается механизмами силовой передачи (сцеплением, редуктором, механизмом включения) коленчатому валу дизеля. Запуск пускового двигателя осуществляется вручную пусковым приспособлением 17 или электростартером 5.

Рабочий процесс пускового двигателя Т-130М

Рабочий процесс пускового двигателя отличается от рабочего процесса основного двигателя следующим. В процессе такта впуска в цилиндр пускового двигателя поступает горючая смесь, состоящая из паров бензина и воздуха, которая приготовлена в карбюраторе. Во время такта сжатия смесь воспламеняется' от искры свечи зажигания. Такты расширение и выпуск аналогичны описанным в главе «Основной двигатель». Ниже приведены фазы гозораспределения пускового двигателя.

  • Открытие впускного клапана 8° до в.м.т..
  • Закрытие впускного клапана 34° после н.м.т.
  • Открытие выпускного клапана 44° до и. м. т.
  • Закрытие выпускного клапана 8° после в.м.т..
  • Перекрытие клапанов 16°

Устройство пускового двигателя Т-130М

Пусковой двигатель включает в себя блок-картер 1, механизмы кривошипно-шатунный и клапанно-распределительный, системы охлаждения, смазочную, питания и зажигания.

Блок-картер

Остовом пускового двигателя служит литой чугунный блок. К передней плоскости его прикреплен кожух распределительных шестерен 26 (см. рис. 43), а к задней плоскости — кожух сцепления 10 механизма силовой передачи. В вертикальные расточки диаметром 92+0,5 мм вставлены поршни 8 (рис. 44).

Рис. 44. Кривошипно-шатунный механизм Т-130М


1 — вкладыши шатунного подшипника,
2 — стопорное кольцо,
3 — шарикоподшипник,
4 — шестерня коленчатого вала,
5 — стакан шарикоподшипника,
6 — стопорный штифт,
7 — втулка шатуна,
8 — поршень,
9 — поршневой палец,
10 — заглушка поршневого пальца,
11 — маслосъемное кольцо,
12 — компрессионное кольцо,
13 — шатун,
14 — шатунный болт,
15 — маховик с зубчатым венцом,
16 — гайка крепления маховика,
17 — маслогонная шайба,
18 — роликовый подшипник,
19 — коленчатый вал,
20 — гайка шатунного болта,
21 — картер,
22 — спускные пробки.

Чугунная литая головка блока имеет два резьбовых отверстия для запальных свечей, водяную рубашку и две литые камеры сгорания. К головке блока крепится отводящая водяная труба. Между головкой и блоком установлена уплотнительная медно-асбестовая прокладка. Водяная рубашка головки блока соединена с водяной рубашкой блока каналами.

В картере имеется люк для осмотра деталей кривошипно-шатунного механизма, закрытый крышкой. В два углубления картера заливают масло для смазывания трущихся деталей. Задние стенки картера и блока обработаны и имеют отверстия для крепления пускового двигателя к блоку дизеля. На длинные шпильки крепления картера к блоку надеты дистанционные шайбы толщиной 0,5-0,05 мм.

В разъеме между блоком и картером в передней и задней их стенках смонтированы опоры коленчатого вала 19 — два шариковых подшипника. К передней стенке блока в верхней части прикреплен впускной и выпускной коллекторы. Диаметры отверстий в блоке под поршни подразделяются на четыре группы (А, Б, В и Г), которые выбиты на верхней привалочной плоскости блока.

Кривошипно-шатунный механизм пускового двигателя Т-130М

Коленчатый вал 19 отлит из специального чугуна, имеет две коренные и две шатунные шейки и вращается в двух шариковых подшипниках 3. Осевое перемещение вала (не более 1 мм) ограничивает стопорное кольцо и буртик стакана 5 переднего шарикового подшипника. Стакан удерживает штифт 5. На цилиндрическом носке коленчатого вала посажена на шпонке шестерня 4, которая сцеплена с шестернями распределительного вала и привода магнето.

На коническом хвостовике коленчатого вала 19 закреплен маховик 15 с зубчатым венцом для соединения его с шестерней стартера при запуске. В отверстие хвостовика коленчатого вала вставлен роликовый подшипник 18 вала муфты сцепления. На задней шейке коленчатого вала нарезана маслосгонная резьба, которая отводит масло в картер через отверстие в маслосгонной шайбе 17, Маховик внутри имеет зубья для соединения с ним ведущего диска муфты сцепления.

Шатун 13 присоединен к шатунной шейке коленчатого вала с помощью крышки, имеющей отросток для захвата масла из картера. В нижнюю головку шатуна установлены ста-леалюминивые шатунные вкладыши 1. На одной из бобышек нижней головки шатуна выбит порядковый номер и масса шатуна. Шатуны необходимо ставить так, чтобы клеймо с порядковым номером было обращено в сторону люка картера. Разница в массе шатунов, устанавливаемых на один двигатель, не должна быть более 20 г. В верхнюю головку шатуна запрессована бронзовая втулка 7, через которую проходит поршневой палец 9. В головках шатуна имеются отверстия для подвода смазки к подшипникам скольжения.

Поршень 8 литой, алюминиевый, соединен с шатуном поршневым пальцем 9 плавающего типа. Перед соединением поршень нагревают до 343—363 К (70—90° С). Палец удерживается от осевого перемещения двумя алюминиевыми заглушками 10. В канавки поршня вставлены три компрессионных 12 и одно маслосъемное 11 кольца, изготовленные из легированного чугуна. Компрессионные кольца устанавливают фаской к днищу поршня. Замки поршневых колец располагают под углом 120°.

Масса поршней на одном двигателе не должна отличаться более чем на 10 г. По диаметру нижней части (92-0,175-0,115) поршни, так же как и цилиндры, разбиты на четыре группы. Группы поршня и его масса выбиты на днище.

Двигатель комплектуют поршнем и цилиндром одной и той же размерной группы.

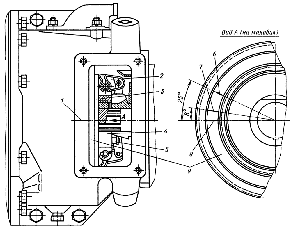
Для правильной установки угла опережения зажигания, а также регулировки клапанно-распределительного механизма на торцевой поверхности маховика нанесены метки: «Заж. М-47» — для магнето, «Заж. М-10» — для магнето М-149 и «ВМТ-1 цил» — для регулировки зазоров в клапанах.

Клапанно-распределительный механизм пускового двигателя

Состоит из шестерни привода, распределительного кулачкового валика, толкателей, впускных и выпускных клапанов, направляющих втулок, клапанных пружин и сухариков. Открытие клапанов происходит при нажатии кулачка на толкатель. В толкателй ввернуты регулировочные болты. Кулачковый валик от осевого перемещения удерживается упорной шайбой. На шейках валика нарезаны винтовые канавки для подвода смазки. Клапанно-распределительный механизм обеспечивает строго определенное опережение открытия и запаздывание закрытия клапанов.

Регулировать зазоры клапанов пускового двигателя следует на прогретом двигателе в конце такта сжатия при снятой крышке регулировочным болтом толкателя и при ослабленной контргайке. Зазор 0,2—0,25 мм между стержнем клапана и головкой регулировочного болта должен быть установлен как для впускного, так и для выпускного клапанов. После окончательной затяжки контргайки проверяют зазор еще раз.

Регулировку проводят в сроки, предусмотренные техническим обслуживанием, и по мере необходимости.

Система охлаждения пускового двигателя

Система охлаждения водяная термосифонного типа, общая с дизелем. Циркуляция охлаждающей жидкости во время работы пускового двигателя (при неработающем дизеле) осуществляется благодаря разности удельных весов холодной и горячей воды. Вода, нагретая в водяных рубашках блока и его головке, становится легче и по отводящему трубопроводу поступает в головки блока дизеля. В рубашку блока по патрубку от водяного насоса дизеля поступает более холодная вода, которая, нагреваясь, также отводится в водяные рубашки головок, а затем в блок дизеля. Горячая вода, поступающая от пускового двигателя, прогревает блок и головки блока дизеля, подготавливая его к быстрейшему и надежному запуску.

Шестерни распределения передают вращение от коленчатого вала распределительному кулачковому валику и другим механизмам. Шестерни размещены в корпусе и установлены по меткам (рис. 45).

Рис. 45. Взаимное расположение шестерен распределения пускового двигателя Т-130М


1 — шестерня, разбрызгивающая масло,
2 — шестерня коленчатого вала,
3 — шестерня кулачкового вала,
4 — шестерня механизма проворачивания,
5 — шестерня привода магнето.

Смазочная система пускового двигателя

Смазка деталей пускового двигателя осуществляется масляным туманом. Во время вращения коленчатого вала 19 (см. рис. 44) выступы крышек нижних головок шатунов 13 захватывают масло из углублений картера и разбрызгивают его. Масляным туманом смазываются цилиндры с поршнями 5, поршневые пальцы, подшипники и кулачки распределительного валика, толкатели, шариковые подшипники, зацепление шестерен и т. д.

К шатунным вкладышам и шатунным шейкам масло попадает по сверлениям в нижних головках шатунов и их крышках. К поршневому пальцу масло стекает со стенок цилиндра по сверлениям в поршне 8 и по сверлению в верхней головке шатуна. К передней шейке распределительного вала масло подводится по сверлению в блоке. На шейке вала имеется винтовая канавка, которая при вращении вала затягивает масло и подает его для смазки упорной шайбы. Такая же канавка имеется и на задней шейке распределительного вала. Шестерни распределения, валы привода магнето и пускового приспособления, трущиеся детали регулятора смазывются масляным туманом, образующимся в кожухе распределительных шестерен во время вращения деталей.

Масло в картер двигателя заливают через отверстие в кожухе распределительных шестерен, закрываемое пробкой. Картер сообщается с атмосферой через сапун 28 (см. рис. 43), ввернутый в переднюю стенку блока. Волосяная набивка сапуна препятствует проникновению пыли внутрь картера и исключает возможность выбрасывания масла из картера наружу. Для контроля уровня масла в блок вставлена масломерная линейка 20.

Промывку картера пускового двигателя и заливку масла в него необходимо осуществлять в таком порядке. У прогретого двигателя вывернуть две пробки 22 (см. рис. 44) картера и дать стечь маслу. Снова ввернуть пробки, залить в картер через заливную горловину смесь, состоящую из 50% автотракторного масла и 50% дизельного топлива, несколько выше нижней метки на масломерной линейке.

Одновременно с промывкой картера и заменой масла промывают керосином набивку сапуна 28 (см. рис. 43) и смачивают ее маслом. Затем запускают двигатель и дают ему поработать в течение 3 мин при малой частоте вращения, потом сливают смесь и дают ей стечь. Заливают в картер свежее масло до уровня верхней метки на масломерной линейке 20. Запускают двигатель, дают ему поработать 2—3 мин, останавливают двигатель и проверяют уровень масла; в случае необходимости доливают масло до верхней метки на масломерной линейке.

Остальные механизмы и узлы пускового двигателя смазывают согласно таблице смазывания.

Системы питания и зажигания

Для обеспечения питания двигателя воздухом и топливом, а также для приготовления горючей смеси предназначены следующие устройства:

  • воздухоочиститель,
  • топливный бачок,
  • фильтр-отстойник,
  • карбюратор,
  • регулятор,
  • топливопроводы,
  • впускной и выпускной коллектор.

Воздухоочиститель (рис. 46), установленный на шпильках крепления впускной и выпускной труб дизеля и соединенный с карбюратором резиновым патрубком, состоит из корпуса У, восьми гофрированных сеток 2, центральной трубы и поддона 5, прикрепленного к корпусу защелками 4.

Рис. 46. Воздухоочиститель Т-130М


1 — корпус воздухоочистителя,
2 — сетки,
3 — резиновое кольцо,
4 — защелка,
5 — поддон,
6 — уровень масла,
7 — выходной патрубок,
8 — колпак.

Топливный бачок вмещает 8 л. В пробке заливной горловины его имеется отверстие, сообщающее бачок с атмосферой. Бачок соединен с фильтром-отстойником, от фильтра-отстойника топливо поступает в карбюратор по трубке.

Фильтр-отстойник (рис. 47) снабжен запорной иглой 7. В стеклянном стаканчике 3 расположен фильтр 10 из спеченного пористого материала. В стаканчике отстойника оседают вода и механические частицы. Стаканчик 3 отстойника прикреплен к корпусу дужкой 12. Между корпусом и стаканчиком подложена уплотнительная прокладка 5.

Рис. 47. Фильтр-отстойник Т-130М


1 — прижимная гайка,
2 — пружина,
3 — стеклянный стаканчик,
4 — прокладка,
5 — прокладка стаканчика,
5 — корпус отстойника,
7 — корпус запорной иглы,
8 — уплотняющая набивка,
9 — рукоятка запорной иглы,
10 — фильтр,
11 — винт,
12 — дужка.

Карбюратор К125Л вертикальный, однокамерный, с падающим потоком, с одинарной балансированной поплавковой камерой. Главная дозирующая система работает по принципу пневматического торможения топлива. Карбюратор состоит из трех основных частей: воздушного патрубка с крышкой 2 (рис. 48), корпусов смесительной 18 и поплавковой 21 камер.

Рис. 48. Схема карбюратора К125Л Т-130М


1 — насос ускорительный,
2 — крышка поплавковой камеры,
3 — распылитель ускорительного насоса,
4 — заслонка воздушная,
5 — диффузор малый с распылителем,
6 — пробка фасонная,
7 — жиклер воздушный главной системы,
8 — жиклер воздушный холостого хода,
9 — клапан топливный,
10 — фильтр топливный,
11 — поплавок,
12 — жиклер главный,
13 — жиклер топливный холостого хода,
14 — винт регулировочный холостого хода,
15 — трубка эмульсионная,
16 — заслонка дроссельная,
17 — диффузор большой,
18 — корпус смесительной камеры,
19 — клапан нагнетательный,
20 — клапан обратный,
21 — корпус поплавковой камеры.

Поплавковая камера поддерживает постоянный уровень топлива в карбюраторе, который должен находиться на 20±1,5 мм ниже верхней плоскости корпуса 21 поплавковой камеры. Поплавковый механизм качающийся, состоит из поплавка 11 с рычагом, подвешенным на оси к стойкам крышки 2 поплавковой камеры. Рычаг поплавка пластиной прижимает игольчатый клапан 9 к гнезду и закрывает поступление бензина в поплавковую камеру при достижении необходимого уровня.

Уровень топлива в поплавковой камере можно регулировать, подгибая пластинки рычага поплавка 11. При понижении уровня топлива пустотелый свободно плавающий поплавок опускается, открывается игольчатый клапан и по подводящему отверстию вновь поступает бензин до установления указанного уровня.

В воздушном патрубке размещена воздушная заслонка 4 с автоматическим пластинчатым клапаном. Воздушная заслонка служит для регулирования количества воздуха, поступающего в карбюратор при пуске холодного двигателя.

В крышке поплавковой камеры имеются горизонтальное и вертикальное отверстия подвода бензина. В горизонтальном сверлении установлен сетчатый фильтр 10. Кроме того, в крышку ввернут воздушный жиклер 8 холостого хода, соединенный отверстием с воздушным патрубком.

В корпусе поплавковой камеры установлены два диффузора 17 и 5 (большой и малый), распылитель с эмульсионной трубкой главного жиклера; главный топливный жиклер 12, топливный жиклер 13 холостого хода; главный воздушный жиклер 7; подкачивающий (ускорительный) поршеньковый насос 1; распылитель 3 подкачивающего насоса. Кроме того, в корпусе просверлен канал системы холостого хода, соединяющийся с соответствующим каналом корпуса смесительной камеры. Верхний конец распылителя главного жиклера расположен в суженной части малого диффузора, где создается наибольшая скорость движения воздуха. Отверстие распылителя сообщается с поплавковой камерой.

Между корпусом и крышкой поплавковой камеры установлена картонная прокладка.

В корпусе смесительной камеры на оси находится заслонка 16 с помощью которой регулируется количество горючей смеси, поступающей в цилиндр двигателя. Снаружи на оси закреплен рычаг 5 (рис. 49), соединенный тягой с рычагом регулятора. Винт 7 ограничивает величину закрытия заслонки. На оси заслонки посажен рычаг 4 для открытия и закрытия ее ручным приводом. Между корпусом карбюратора и нижним патрубком проложена паронитовая прокладка.

Рис. 49. Карбюратор К125Л Т-130М


1 — крышка поплавковой камеры с воздушным патрубком,
2 — распылитель ускорительного насоса,
3 — рычаг воздушной заслонки,
4 — рычаг-ограничитель открытия дроссельной заслонки,
5 — рычаг дроссельной заслонки,
6 — уровень топлива в поплавковой камере,
7 — винт регулировки открытия дроссельной заслонки,
8 — воздушный жиклер холостого хода,
9 — винт регулировочный холостого хода,
10 — корпус смесительной камеры,
11 — корпус поплавковой камеры.

Карбюратор нижним патрубком крепится к фланцу впускной трубы. При такте впуска в цилиндре двигателе создается разрежение. Так как впускной клапан при этом открыт, то это разрежение распространяется и на смесительную камеру карбюратора, вследствие чего через нее устремляется поток воздуха в цилиндр. Наибольшая скорость воздуха будет в самом узком участке смесительной камеры — малом диффузоре 5 (см. рис. 48) — у отверстия распылителя главного жиклера. Благодаря разности давлений в поплавковой (атмосферное) и смесительной (разрежение) камерах топливо будет вытекать из отверстия распылителя и струей воздуха разбиваться на мелкие, капельки. В дальнейшем капельки в смесительной камере обдуваются воздухом, испаряются и смешиваются с воздухом в определенном соотношении, образуя горючую смесь, которая поступает в цилиндр двигателя. При такте сжатия эта смесь сжимается поршнем, а в конце такта воспламеняется от искры, проскакиваемой между электродами свечи.

На разных режимах двигателя карбюратор работает также по-разному, приготавливая соответствующего состава горючую смесь, как указано ниже. При пуске холодного двигателя необходима богатая смесь. Пусковые обороты коленчатого вала невелики, отчего разрежение в смесительной камере недостаточно и топливо из распылителя в Нужном количестве вытекать не будет* Чтобы увеличить разрежение и заставить топливо обильно истекать из распылителя, воздушную заслонку 4. необходимо закрыть, а дроссельную приоткрыть. Создавшееся в смесительной камере разрежение вызовет интенсивное истечение топлива из жиклеров 12 и 13 главной дозирующей системы и системы холостого хода. Воздух для образования горючей смеси проникает через щели у кромки воздушной заслонки. Чтобы не допустить чрезмерного обогащения смеси, воздушная заслонка снабжена автоматическим пластинчатым клапаном, который открывается под действием возросшего разрежения в моменту пуска двигателя.

Непосредственно перед запуском холодного двигателя следует несколько раз нажать кнопку утолителя подкачивающего насоса 1, в результате чего бензин поступит через клапан 19 и распылитель 3 в смесительную камеру, а далее в цилиндр двигателя, что обеспечит запуск холодного двигателя.

Работа карбюратора на холостом ходу

При работе двигателя на холостом ходу воздушная заслонка 4 открыта, а дроссельная 10 закрыта. Наибольшее разрежение создается за дроссельной заслонкой, поэтому там и просверлено выходное отверстие канала холостого хода. Разрежение в смесительной камере при этом незначительно, и топливо из распылителя главного жиклера не вытекает.

При прикрытой дроссельной заслонке разрежение через отверстие в стенке смесительной камеры передается по каналу к топливному жиклеру 13 холостого хода. Топливо в систему холостого хода поступает из поплавковой камеры через жиклер 12, вертикальный канал, топливный жиклер 13 холостого хода. В верхней части вертикального канала к топливу примешивается воздух из воздушного жиклера 8 холостого хода. Образовавшаяся эмульсия проходит по каналу холостого хода и поступает вниз к выходному отверстию, сечение которого изменяется регулировочным винтом 14. По пути к эмульсии подмешивается воздух через дополнительное отверстие, расположенное выше дроссельной заслонки.

Наличие дополнительного отверстия выше дросселя уменьшает разрежение в системе холостого хода и обеспечивает плавный переход от холостого хода к работе под нагрузкой. Это достигается при истечении эмульсии из верхнего отверстия в начале открытия дросселя.

Качество поступающей в смесительную камеру эмульсии топлива регулируется винтом 14 холостого хода, находящимся на корпусе смесительной камеры. При вывинчивании винта топлива поступает больше и смесь делается богаче. Количество поступающей в цилиндры смеси на холостом ходу регулируется винтом-ограничителем рычажка дроссельной заслонки на прогретом двигателе.

Работа карбюратора на нормальных оборотах

С увеличением открытия дросселя или частоты вращения коленчатого вала двигателя усиливается разрежение в диффузоре, больше поступает топлива из жиклера распылителя; смесь чрезмерно обогащается за счет увеличения количества топлива в воздухе. Одновременно с этим разрежение в каналах холостого хода падает, в результате чего вступает в работу главная дозирующая система, т. е. топливо из поплавковой камеры начинает поступать через главный топливный жиклер 12 и распылитель в смесительную камеру.

При дальнейшем открытии дроссельной заслонки и увеличении частоты вращения коленчатого вала двигателя растет разрежение в диффузоре 5, в результате усиливается истечение бензина из распылителя главного жиклера. Для предупреждения обогащения горючей смеси главная дозирующая система обеспечивает регулирование состава смеси за счет пневматического торможения поступления топлива из распылителя. Так как сечение диффузора 5 постоянно, предупредить обогащение смеси можно лишь за счет задержки поступления топлива, для чего необходимо снизить разрежение у главного жиклера путем подвода воздуха через воздушный жиклер 7. Чем сильнее разрежение в диффузоре 5, тем больше поступает воздуха через воздушный жиклер 7 и тем больше задерживается истечение топлива. Из распылителя будет поступать эмульсия, состоящая из топлива и воздуха, и смесь станет необходимого обедненного состава.

Приготовление нужного состава горючей смеси на всех режимах работы двигателя возможно благодаря вполне определенным размерам калиброванных отверстий жиклеров карбюратора, а также его проходных сечений.

Регулятор

Регулятор, воздействуя на дроссельную заслонку карбюратора, автоматически, в зависимости от нагрузки на двигатель, регулирует количество горючей смеси, поступающей в цилиндр двигателя, сохраняя тем самым постоянную частоту вращения 2400 мин-1.

Рис. 50. Регулятор Т-130М


1 — распределительный вал,
2 — шестерня распределительного вала,
3 — подвижная втулка,
4 — грузик,
5 — шариковый подшипник,
6 — двуплечий рычаг,
7 — пружина,
8 — регулировочный винт,
9 — наружный рычаг,
10 — тяга,
11 — корпус регулятора,
12 — защелка,
13 — валик двуплечего рычага.

Он установлен на переднем конце распределительного вала 1 (рис. 50). На этом же конце свободно сидит подвижная втулка 3, в задний торец которой упираются ножки двух грузиков 4, шарнирно закрепленных осью в проушинах шестерни 2 распределительного вала. В шариковый подшипник 5, находящийся на переднем конце подвижной втулки 3, упирается нижний вилкообразный конец двуплечего рычага 6.

К верхнему концу этого рычага подсоединена пружина 7 регулятора. Второй конец ее закреплен на регулировочном винте 8 корпуса регулятора. Корпус регулятора прикреплен шпильками с гайками к кожуху распределительных шестерен. В него запрессованы две втулки, являющиеся опорами для валика 13 двуплечего рычага. На наружном конце валика посажен и закреплен наружный рычаг 9, соединенный тягой 10 с рычагом дроссельной заслонки карбюратора. Внутренняя полость регулятора уплотнена заглушкой и сальником. Натяжение пружины регулируют гайкой, навернутой на винт и застопоренной * контргайкой. Наружный рычаг регулятора в положении, соответствующем минимальному открытию дроссельной заслонки и холостому режиму работы двигателя, фиксируется защелкой и тягой с кнопкой для ручного управления.

Во время работы двигателя вращение коленчатого вала передается шестерне 2 распределительного вала, вместе с которой вращаются и два грузика 4. Грузики под действием центробежной силы, поворачиваясь на своих осях, расходятся. При этом ножки грузиков нажимают на подвижную втулку 3 регулятора и стремятся передвинуть ее-вперед — вдоль оси вала.

Передвижению втулки противодействует пружина 7 регулятора. При уменьшении нагрузки на двигатель и увеличении частоты вращения двигателя расхождение грузиков увеличивается, сила нажатия ножек грузиков на втулку возрастает, втулка, преодолевая натяжение пружины и растягивая ее еще сильнее, передвигается вперед и поворачивает через двуплечий рычаг 6 горизонтальный валик 13. Вместе с валиком поворачивается наружный рычаг, который через тягу 10 закрывает дроссельную заслонку. При этом количество рабочей смеси, поступающей в двигатель, уменьшается и частота вращения падает.

При увеличении нагрузки на двигатель и уменьшении частоты вращения сила нажатия ножек на втулку падает, и втулка под действием пружины перемещается назад, дроссельная заслонка открывается, а частота вращения двигателя увеличивается до нормального значения.

Таким образом поддерживается постоянная частота вращения двигателя.

Выпускной и впускной коллектора пускового двигателя

Трубопроводы пускового двигателя состоят из выпускного и впускного коллектора, рубашки всасывающей трубы дизеля и выхлопного патрубка пускового двигателя. Коллектор представляет собой чугунную отливку. Благодаря этому отработанные газы, проходя по выпускной трубе, прогревают общую стенку впускной трубы, а следовательно, и рабочую смесь, поступающую по ней от карбюратора. Подогрев рабочей смеси необходим для лучшего испарения распыленного топлива, (особенно при работе двигателя в холодную погоду.

Коллектор крепится к блоку цилиндров с левой стороны двумя шпильками с гайками, а к фланцу впускной трубы — карбюратор.

Фланец коллектора, примыкающий к блоку пускового двигателя, имеет три окна: два крайних — для отвода продуктов сгорания в выпускную трубу и среднее — для подвода рабочей смеси по впускной трубе в цилиндры.

В нижней части коллектор имеет прилив с отверстием для спуска конденсирующего топлива при запуске холодного двигателя. Спускное отверстие закрыто специальной пробкой-фильтром, исключающей попадание во впускную трубу пыли.

Зажигание рабочей смеси в цилиндрах пускового двигателя

Осуществляется запальной свечой 1 (рис. 51) от магнето. Магнето включает в себя ротор 11, прерыватель, обмотки 6, 8 и конденсатор 4.

Рис. 51. Схема работы системы зажигания Т-130М


1 — свеча зажигания,
2, 5 — провода высокого напряжения,
4 — конденсатор,
5 — зажим конденсатора,
6 — первичная обмотка,
7 — сердечник,
8 — вторичная обмотка,
9 — вал ротора,
10 — стойка с полюсными башмаками,
11 — ротор,
12 — кулачок прерывателя,
13 — неподвижный контакт,
14 — рычаг прерывателя,
15 — крышка распределителя,
16 — пластинчатая пружина,
17 — подвижный контакт,
18 — токосъемник.

Трансформатор, состоящий из обмоток 6 и 8 и конденсатора 4, предназначен для создания электродвижущей силы. При вращении ротора 11 его магнит создает в сердечнике 7 трансформатора магнитный силовой поток, изменяющийся за каждый оборот по величине и направлению, вследствие чего в первичной обмотке б, которая пересекается магнитным полем, будет индуктироваться электрический ток низкого напряжения. Этот ток создает вокруг первичной обмотки сильное магнитное поле, которое складывается с магнитным полем ротора. В момент, когда первичный ток и созданное им магнитное поле достигают наибольшей величины, кулачок 12 размыкает контакты 13 и 17 прерывателя, разрывая цепь первичной обмотки. При этом первичный ток и созданное им магнитное поле быстро исчезают, вследствие чего во вторичной обмотке 8 индуктируется ток высокого напряжения, способный пробить искровой промежуток в свече 1. Распределителем ток высокого напряжения по проводам 2 и 3 подается к свечам пускового двигателя в строго определенные моменты. Для поглощения тока самоиндукции, который возникает в первичной цепи в момент размыкания контактов прерывателя, в первичную цепь включен конденсатор 4. Конденсатор уменьшает искрение и подгорание контактов и способствует более резкому исчезновению первичного тока в момент размыкания цепи, увеличивая напряжение во вторичной обмотке 8.

Для установки правильного момента зажигания необходимо на такте сжатия в данном цилиндре поворотом коленчатого вала совместить метку «Заж М-10» на торце маховика (рис. 52) с риской на фланце люка муфты сцепления и в этом положении, повернув магнето, установить начало размыкания контактов прерывателя магнето.

Сцепление

Сцепление сухое, однодисковое, непостоянно замкнутого типа. Ведущий средний диск 6 (рис. 53) с помощью наружных зубцов сцепляется с внутренним зубчатым венцом маховика. У сцепления периодически промывают его диски керосином, который спускают через отверстие, закрытое пробкой, и восстанавливают его нормальную регулировку.

Рис. 52. Сцепление и маховик Т-130М


1 — установочная риска на фланце люка корпуса сцепления,
2 — нажимной кулачок,
3 — нажимной диск,
4 — крестовина нажимных кулачков,
5 — защелка,
6 — метка Заж М-10,
7 — метка Заж М-47,
8 — метка ВМТ 1Ц. 9 — маховик.

Для регулировки сцепления необходимо (см. рис. 52): выключить его рычагом управления, открыть крышку люка в корпусе сцепления, повернуть крестовину сцепления, чтобы защелка 5 на крестовине 4 была видна через люк, потянуть защелку 5, чтобы ее палец вышел из отверстия нажимного диска 3. Придерживая нажимной диск, повернуть крестовину 4 по часовой стрелке до попадания пальца защелки 5 в следующее отверстие нажимного диска. Если поворот крестовины на одно отверстие дает слабую регулировку, а при повороте на второе отверстие слишком тугую, то следует выбрать слабую.

Редуктор и механизм включения

Редуктор (см. рис. 53) предназначен для облегчения прокручивания коленчатого вала дизеля в холодное время года и имеет две передачи: ускоренную, когда подвижная шестерня 14 на валу редуктора внутренним зубчатым венцом вводится вилкой в зацепление с шестерней вала 7 сцепления, и замедленную, когда подвижная шестерня 14 наружным венцом зацепляется с двойной шестерней 2.

Рис. 53. Сцепление, редуктор и механизм включения Т-130М


1 — корпус редуктора,
2 — двойная шестерня,
3 — защелка нажимного диска,
4 — корпус сцепления,
5 — пробка спускного отверстия,
6 — ведущий средний диск сцепления с фрикционными накладками,
7 — вал сцепления,
8 — крестовина нажимных кулачков,
9 — передний ведомый неподвижный диск,
10 — нажимной диск,
11 — масленка,
12 — хомут включения,
13 — подвижная крестовина включения сцепления,
14 — подвижная шестерня с внутренними зубьями,
15 — шестерня включения со спиральными зубьями,
16 — пружина толкателя,
17 — защелка муфты включения,
18 — регулировочный винт,
19 — пружина защелок,
20 — муфта включения,
21 — толкатель.

На валу редуктора смонтирован механизм включения, имеющий шестерню 15 со спиральными зубьями, вводимую рычагом при пуске ее в зацепление с венцом маховика дизеля. Через эту шестерню пусковой двигатель прокручивает коленчатый вал дизеля. Шестерню в зацеплении с венцом маховика удерживают две защелки 17, сжимаемые пружиной 19. Как только дизель заведется, защелки под действием центробежной силы расходятся, и шестерня механизма включения автоматически,выходит из зацепления с венцом маховика дизеля благодаря давлению зубьев венца маховика на спиральные зубья шестерни и пружины 16 через толкатель 21.

В корпусе редуктора следует периодически заменять масло согласно карте смазывания. Механизм включения должен быть отрегулирован на момент выхода его шестерни из зацепления с венцом маховика дизеля. Для регулировки вращают два регулировочных винта 18 в защелках до тех пор, пока частота вращения вала дизеля, при которой происходит выход из зацепления шестерни с венцом маховика, станет равной 300—320 мин-1. После регулировки винты следует законтрить шплинтами.

Обслуживание системы питания пускового двигателя Т-130М

Обслуживание воздухоочистителя

Заменяют масло и промывают масляную ванну воздухоочистителя дизельным топливом в зависимости от запыленности воздуха через 60—120 ч, промывают кассету через 240 ч работы дизеля. При техническом обслуживании воздухоочиститель снимают с двигателя.

В ванну воздухоочистителя заливают отработанное картерное масло до отверстий внутренней чашки. Зимой масло разбавляют дизельным топливом или керосином на 1/3 объема.

Обслуживание топливного бачка

Заправляют бачок чистым бензином. Не реже двух раз в год снимают бачок и промывают его бензином (неэтилированным).

Обслуживание карбюратора

Карбюратор требует только регулировки системы холостого хода.

Для регулировки следует запустить двигатель и дать ему прогреться. После этого вворачивают винт 9 (см. рис. 49) холостого хода до отказа, затем отворачивают его примерно на один оборот.

Винтом-ограничителем 7 слегка открывают дроссельную заслонку, после чего заводят двигатель. Вывинчивая винт-ограничитель и одновременно придерживая тягу регулятора, доводят частоту вращения двигателя до минимально возможных (чтобы двигатель не заглох). В дальнейшем уменьшают частоту вращения двигателя на холостом ходу, поворачивая винт 9 холостого хода. Этот винт регулирует количество безино-воздушной эмульсии, поступающей в смесительную камеру. При ввинчивании винта количество эмульсии уменьшается и, наоборот, при вывинчивании — увеличивается.

Если нарушится нормальная работа карбюратора, что чаще всего бывает из-за засорения его жиклеров и каналов, необходимо вывернуть резьбовые пробки и продуть каналы сжатым воздухом. В крайнем случае надо снять и разобрать карбюратор, промыть его детали в бензине. Нельзя очищать отверстия жиклеров и каналов проволокой.

Возможные неисправности карбюратора и способы их устранения
Неисправность Причина неисправности Способ устранения
Двигатель глохнет или работает неустойчиво на всех режимах Нет подачи топлива из бака в карбюратор Открыть краник бензобака. Отсоединить топливоподводящую трубку, вывернуть пробку фильтра и промыть сетчатый фильтр карбюратора, камеру фильтра очистить от грязи
Двигатель неустойчиво работает (или глохнет) на оборотах холостого хода Засорился жиклер холостого хода

Продуть воздухом жиклер холостого хода. Доступ к топливному жиклеру холостого хода, расположенному в глубине вертикального канала внутри корпуса топливной камеры, открывается после вывертывания воздушного жиклера 8 (см. рис. 49)

Двигатель неустойчиво работает под нагрузкой Засорился главный жиклер

Вывернуть пробку 6 карбюратора и продуть главный жиклер. Очистить от грязи камеру, закрываемую пробкой.

Переливание бензина через распылитель главной дозирующей системы Негерметичен игольчатый клапан Снять крышку поплавковой камеры и тщательно промыть в бензине игольчатый клапан и его седло. При необходимости притереть клапан к седлу
Повреждена фибровая прокладка седла Заменить прокладку
Негерметичен поплавок Проверить состояние поплавка. Если в поплавке бензин, выпарить его и запаять образовавшееся отверстие. Проверить уровень топлива в поплавковой камере по метке на наружной поверхности камеры и при необходимости установить нижний уровень поджатием пластины на поплавке

Обслуживание отстойника и фильтра

В отстойнике собираются вода и осадок топлива. Для их удаления нужно закрыть запорный вентиль пускового бачка и снять стакан отстойника, отвернув гайки дужки, крепящей его к корпусу. Затем следует отвернуть винт крепления фильтрующего элемента и промыть последний в бензине. При установке стакана отстойника необходимо проверить, чтобы прокладка была чистой, целой и лежала в правильном положении.

Сетчатый фильтр из карбюратора следует вынимать и очищать при каждой промывке отстойника. Для этого нужно отвернуть болт фильтра в крышке поплавковой камеры, вынуть сетчатый фильтр и тщательно промыть его в бензине. Надо наблюдать за тем, чтобы в топливной системе не было течи. Для этого необходимо подтягивать все резьбовые соединения.

Периодически следует снимать фильтр спуска топлива на выпускном коллекторе пускового двигателя и проверять фильтр. Испорченный заменяют.

Регулировка карбюратора

Карбюратор требует только регулировки системы холостого хода. Для регулировки следует запустить пусковой двигатель и дать ему прогреться. Затем регулируют минимальную частоту вращения холостого хода, для чего, прикрывая дроссельную заслонку, одновременно ввинчивают или вывинчивают винт 9 (см. рис. 49) холостого хода на карбюраторе, добиваясь устойчивой работы на минимально возможных оборотах (чтобы двигатель не заглох), что должно соответствовать примерно частоте вращения 600 мин-1.

При ввинчивании винта 9 частота вращения уменьшается, при вывинчивании — увеличивается.

Установка регулятора. Длина тяги 10 (см. рис. 50), соединяющей рычаг дроссельной заслонки с рычагом 9 регулятора, должна быть отрегулирована так, чтобы при полностью открытой дроссельной заслонке грузики регулятора немного расходились. Для этого рычаг 5 (см. рис. 49) дроссельной заслонки нужно повернуть по часовой стрелке в крайнее положение до упора, а рычаг 9 (см. рис. 50) регулятора установить в крайнее переднее положение. В этом положении рычаг дроссельной заслонки и рычаг регулятора соединяют тягой, одновременно отрегулировав ее длину в соответствии с расстоянием между рычагами, затем укорачивают тягу на 3—5 мм.

Перед началом регулировки длины тяги следует отпустить контргайку наконечника с шаровым пальцем, а по окончании регулировки тщательно ее затянуть.

При правильно отрегулированной длине тяги максимальную частоту вращения коленчатого вала двигателя регулируют, изменяя натяжение пружины 7 регулятора путем свинчивания или навинчивания гайки на регулировочный винт 8 пружины. При навинчивании гайки натяжение пружины увеличивается с одновременным возрастанием частоты вращения двигателя.

У двигателя с нормально установленным регулятором на холостом ходу частота вращения коленчатого вала должна находиться в пределах 2800±50 мин-1, при полной загрузке двигателя — 2300—2500 мин-1.

Возможные неисправности пускового двигателя и способы их устранения
Неисправность Причина неисправности Способ устранения
Двигатель не запускается Нет бензина в поплавковой камере карбюратора

Проверить наличие бензина в баке и открыт ли краник бака. Промыть спеченный фильтр отстойника и сетчатый фильтр карбюратора

Проверить, нет ли на дне бензобака замерзшей воды и не заедает ли игольчатый клапан карбюратора в штуцере

Неправильно отрегулирован карбюратор Отрегулировать карбюратор
Бензин плохого качества Заменить бензин
Бедная смесь из-за подсоса воздуха через неплотности во впускном трубопроводе Проверить плотность и исправность прокладок между фланцем карбюратора, впускной трубой и блоком цилиндров. Подтянуть соединения или заменить прокладки
В свечах нет искры Проверить наличие искры на зажимах проводов свечей. Если на одном из зажимов нет искры, то испорчены провод или его контакт в подсоединении к магнето. При наличии искры на обоих зажимах убедиться в исправности свечей. Если после проверки проводов и контакта подсоединения проводов к магнето нет искры на зажимах свечей, то неисправно магнето. В этом случае следует снять магнето для ремонта
Неправильно подсоединены провода высокого напряжения Правильно присоединить провода к свечам
Неправильно установлен момент зажигания Проверить правильность установки зажигания
Слабая компрессия в цилиндрах двигателя Проверить компрессию по усилию противодействия пусковой рукоятки ее проворачиванию для перехода в. м. т. поршней. При слабой компрессии это усилие значительно падает
В цилиндры подсосано много топлива Вывернуть свечи, влить в каждый цилиндр немного чистого автотракторного масла, провернуть коленчатый вал, завернуть свечи и пустить двигатель как обычно
Неплотная посадка клапанов в гнездах Проверить и при необходимости отрегулировать зазор в клапанах между торцом стержня каждого клапана и регулировочным болтом толкателя
Износ поршневых колец Заменить изношенные поршневые кольца
Износ цилиндров Снять и отремонтировать двигатель
Повреждена прокладка головки цилиндров Заменить прокладку
Поломка клапанной пружины Заменить пружину
Двигатель охладился и смесь не воспламеняется Заполнить систему охлаждения подогретой водой (зимой), залить в картер подогретое масло. Обложить карбюратор ветошью и полить ее горячей водой
Неисправность карбюратора Проверить карбюратор
Высокий уровень масла в картере Слить излишек масла до нормального уровня
Двигатель не развивает полной мощности и работает с перебоями Плохое, топливо, в топливе осадок и вода Слить бензин из бака и залить бензин хорошего качества
Засорился топливопровод или карбюратор Проверить поступление топлива в карбюратор, прочистить или промыть трубки от бачка в карбюратор, промыть фильтры отстойника и карбюратора, его поплавковую камеру и игольчатый клапан
Бедная или богатая смесь. При бедной смеси происходят «хлопки» в карбюратор Прочистить топливопровод и карбюратор, как указано выше
При богатой смеси имеет место черный дым выхлопа и «хлопки» в выхлопной трубе Проверить плотность посадки игольчатого клапана в поплавковой камере карбюратора, а также поплавок
Раннее (слышны стуки) или позднее («хлопки» в выхлопную трубу) зажигание Проверить правильность установки зажигания
Пропуск зажигания или слабая искра Проверить состояние системы зажигания согласно техническому обслуживанию
Засорен воздухоочиститель Промыть воздухоочиститель
Неправильно установлены фазы газораспределения Проверить правильность соединения шестерен коленчатого вала и распределительного вала
Сломалась пружина клапана Заменить пружину
Слабая компрессия См. «Двигатель не запускается»
Неотрегулирозаны зазоры в клапанах Отрегулировать клапаны
Повреждена прокладка головки цилиндра Заменить прокладку
Двигатель перегрет См. «Двигатель перегревается»
Двигатель дымит Богатая смесь. Идет черный дым из выхлопной трубы См. «Двигатель не развивает полной мощности и работает с перебоями»
Попадание масла в камеру сгорания (синий дым из выхлопной трубы) Повышенный уровень масла в картере. Слить масло до нормального уровня
Износ поршневых колец. Неправильно установлены компрессионные кольца Изношенные поршневые кольца заменить. Правильно установить компрессионные кольца (фаской на внутренней поверхности к днищу поршня)
Износ поршней и цилиндров, большой зазор между стержнями впускных клапанов и направляющих втулок Отремонтировать двигатель
«Хлопки» в карбюраторе и в выхлопной трубе Слишком бедная или богатая смесь См. «Двигатель не развивает полной мощности и работает с перебоями»
Неплотность посадки клапанов в гнездах Проверить регулировку зазора между толкателями и клапанами
Заедание клапанов в направляющих втулках, износ клапанов, подгорание клапанов Прочистить или притереть клапаны к гнездам. Изношенные и подгоревшие клапаны заменить
Пропуск зажигания или слабая искра Проверить исправность изоляции проводов, наличие контакта в местах присоединения их к магнето, плотность их зажимов, целостность и чистоту изолятора свечи, чистоту электродов свечи и зазоры между ними. Заменить неисправные провода* и свечи. Если после этого искры не будет или она будет слабой, то неисправно магнето и его нужно сдать в ремонт
Неправильное присоединение проводов от магнето к свечам Проверить и правильно присоединить провода к свечам
Двигатель перегревается Нет воды в системе охлаждения Долить воду в систему охлаждения дизеля. Если в радиаторе и в водяных рубашках цилиндров и их головок имеется накипь, удалить ее
Недостаточно смазки Остановить двигатель и проверить уровень масла в картере масломерной линейкой. Если масла недостаточно— долить масло
Нагар в камере сгорания Снять головку цилиндров и очистить нагар
Неправильно установлено зажигание Проверить правильность установки зажигания
Неправильно установлены фазы газораспределения Проверить правильность соединения шестерен коленчатого вала и распределительного валика
Стуки в двигателе Неотрегулированы клапаны (стук клапанов). Стук клапанов легко определить на минимальной частоте вращения: характеризуется как легкий металлический стук Отрегулировать зазор между стержнем клапана и регулировочным болтом толкателя до величины 0,2—0,25 мм
Преждевременные вспышки (глухие стуки, прослушиваемые при работе двигателя под нагрузкой, при пуске дизеля) Проверить правильность установки зажигания
Двигатель перегрет См. «Двигатель перегревается»
Бензин несоответствующего качества Заменить бензин
Большой зазор между поршневым пальцем и отверстиями в бобышках поршня или отверстием во втулке верхней головки шатуна (стук пальца). Стук поршневого пальца прослушивается при изменении частоты вращения как слабые четкие удары легкого молотка о наковальню Заменить изношенные детали
Чрезмерный зазор между поршнем и цилиндром (стук поршня). Стук поршня прослушивается по всей высоте цилиндра и характеризуется дребезжанием Заменить изношенные детали. При этом необходимо, чтобы между цилиндром и нижней частью поршня проходил щуп толщиной 0,15 мм при всех положениях поршня
Большой зазор между шейками коленчатого вала и шатунными подшипниками (стук шатунных подшипников). Стук шатунных подшипников характеризуется глухими ударами, хорошо прослушиваемыми по всей высоте блока. Стук хорошо слышен при переводе двигателя с малой частоты вращения на максимальную Остановить двигатель и произвести ремонт
Пусковой двигатель