К внешнему оборудованию относятся капот, пол, крылья, кабина, сиденья, топливный бак и отопительно-вентиляционная установка.
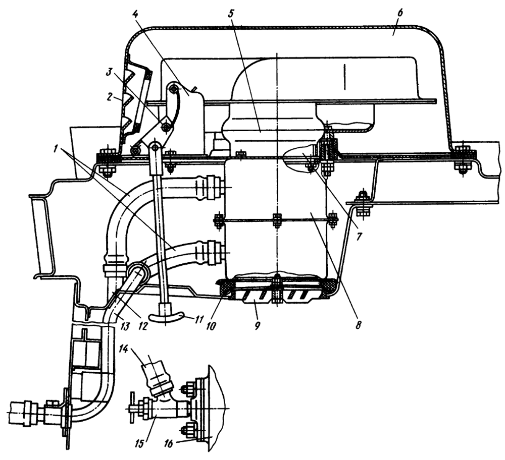
Капот (рис. 88) предохраняет двигатель и его основные составные части от воздействия внешней среды (дождя, грязи, снега и т. п.), защищает радиатор.
Крыша капота состоит из двух частей: передней 2 и задней 5. Передняя крыша откидывается в левую сторону на шарнирах. Шарниры имеют овальные пазы, с помощью которых передняя крыша регулируется по ширине для обеспечения симметричного расположения спереди относительно решетки 1 радиатора, сзади — относительно задней крыши капота. С правой стороны к передней крыше прикреплены крючки защелок. Крючки позволяют регулировать как по высоте, так и по длине крыши капота. По длине обеспечивается симметричность с защелками, приваренными к гидробаку, по высоте — необходимая сила прижатия к гидробаку.
Решетка радиатора открывается на шарнирах в правую сторону. Шарниры также имеют овальные пазы для симметричности относительно гидробаков. Решетку можно регулировать по высоте.
В задней крыше капота имеются люки с крышками 4, через которые можно проверить правильность зазоров в газораспределительном механизме двигателя.
При монтаже задней крыши капота ее не регулируют.
Створки капота в передней части крепятся к гидробаку, в задней — к опоре 6 крыши капота (вверху) и к крыльям (внизу).
Монтируя кронштейны створок, вначале устанавливают равномерный зазор Г «10 мм между створками и лонжеронами 8, затем монтируют нижние кронштейны так, чтобы нажимные кольца снаружи створок находились примерно посредине прорезей.
Во время эксплуатации трактора при температуре ниже 278 К (5° С) капот утепляют чехлами, прикрепляя их скобами, приваренными к капоту, и ремешками, пришитыми к чехлам. На чехле, надеваемом на решетку радиатора, имеется клапан, которым можно регулировать тепловой режим двигателя (открывая или. закрывая клапан). Особого ухода за капотом не требуется, лишь периодически подтягивают ослабевшие крепления.
Пол в кабине находится над кожухом сцепления. Он состоит из отдельных съемных панелей (рис. 89), прикрепленных к передней и задней балкам и уголкам 5, 7 крыльев 12.
Каждая панель составлена из двух половин, между которыми проложен термоизоляционный картон. В панелях сделаны соответствующие вырезы для рычагов и педалей управления. На задней 6 панели предусмотрено место для аккумуляторной батареи, инструментального ящика и сиденья.
Сверху на панели уложен резиновый коврик с поролоновой прокладкой.
Крылья трактора выполнены в виде углообразной штамповки и прикреплены болтами к лонжеронам и корпусу заднего моста. В правом крыле предусмотрен люк, через который можно проникнуть к клапану гидрораспределителя. Крылья являются основной опорной связью для кабины, пола и топливного бака.
Пол и крылья периодически очищают от пыли и грязи, подтягивают ослабевшие крепления.
Кабина (рис. 90) двухместная, двухдверная, имеет оконные проемы с четырех сторон, оборудована отопителем калориферного типа, подсоединенным к системе охлаждения двигателя, плафоном для освещения, термосом для питьевой воды, футляром для аптечки первой помощи, зеркалом 15 и солнцезащитным козырьком 12. Внутри кабины с левой стороны имеется клипса для лопаты.
Кабина установлена на крылья, заднюю и переднюю балки через резиновые прокладки 9.
Каркас кабины сварной. В ниши, образованные внутренними панелями, заложены маты из супертонкого базальтового волокна, которые служат для теплоизоляции кабины. Внутренние декоративные обшивки крепятся к металлическим панелям пластмассовыми кнопками. Резиновые уплотнители дверей 5, заднего окна и люка для доступа к рычагам управления запуском двигателя приклеены клеем 88НП.
Оконные проемы 6, 8, 17, 21, 22 застеклены закаленным безопасным стеклом. Каждая дверь 5 подвешена на двух шарнирах 23. При монтаже дверей необходимо обеспечить одинаковый зазор между дверью и дверным проемом каркаса за счет овальных пазов в каркасе под шарнирами, а также плотное прилегание резинового уплотнителя к дверному проему за счет овальных пазов в двери под шарнирами и защелкой 4 замка на передней стойке каркаса.
Двери фиксируются в открытом положении специальными защелками, верхняя часть двери упирается с натягом 2—6 мм в резиновый буфер.
На крыше кабины установлены фары 16 освещения и отопительновентиляционная установка.
Внутри кабины имеется крючок для одежды, зеркало 15 на сферической опоре. Солнцезащитный козырек 12 крепится к передней стенке кабины.
Термос устанавливается на резиновый коврик пола кабины и крепится к планке передней стенки кабины на левой ее стороне резиновым ремнем.
Ежедневно кабину очищают от пыли и грязи и подтягивают ослабевшие крепления.
В кабине трактора установлены два сиденья: регулируемое подрессоренное — для водителя и нерегулируемое — для пассажира.
Сиденье водителя (рис. 91) крепится к опоре четырьмя болтами, к двум передним с помощью планок прикреплено ограждение, чтобы ноги тракториста не травмировались о детали подвески сиденья. Сиденье водителя состоит из четырехзвенника 5 параллелограммного типа и посадочного места. Посадочное место выполнено в виде двух металлических панелей, к которым крепятся подушки сиденья и спинки.
Четырехзвенник 5 состоит из двух нижних и двух верхних кронштейнов, соединенных между собой осями.
На этих же осях установлены верхние и нижние звенья параллелограмма.
К верхним кронштейнам крепится опора, к которой монтируют панель с посадочным местом и. подлокотниками.
Подвеска сиденья водителя имеет гидравлический амортизатор. Роль упругого элемента выполняет пружина 10, установленная в вилке 9 по диагонали параллелограмма. При необходимости сиденье регулируют по массе и росту водителя. Регулировку сиденья по массе водителя осуществляют рукояткой 7, которой сжимают или ослабляют пружину 10 до указанных на вилке меток 60, 90 и 120, обозначающих массу водителя в килограммах. Сиденье по росту водителя регулируют в двух плоскостях: в горизонтальной вдоль оси трактора и вертикальной.
В горизонтальной плоскости сиденье регулируют, перемещая панели; после регулировки сиденье крепят двумя болтами, расположенными с двух сторон панели сиденья. В вертикальной плоскости сиденье регулируют, вращая рукоятку 8, которой поднимается или опускается сиденье от среднего регулировочного положения на ±40 мм. Угол наклона спинки сиденья регулируют механизмом А в пределах 5—20°.
Сиденье пассажира представляет собой подушку, которая установлена на сварную опору и фиксируется двумя упорами. В ящике сиденья пассажира хранится инструмент.
По мере износа осей подвески сиденья необходимо повернуть их на 180°, т. е. неизношенной стороной.
В случае вытекания жидкости или повреждения гидроамортизатора устраняют повреждения и дозаправляют амортизатор веретенным маслом в объеме 50 ±5 см3.
При мойке кабины воду, попавшую на подушку и спинки сидений, вытирают насухо. По мере необходимости подушки и спинки протирают. Нельзя допускать, чтобы на обшивку подушек попадало масло или дизельное топливо.
Смазку во втулки подвески закладывают при сборке сиденья.
Топливный бак 3 (рис. 92) вмещает 290 л, установлен на тракторе сзади и закреплен двумя стяжными лентами 4 к опорам 8, прикрепленным к крыльям. От смещений при движении трактора бак фиксируется штифтами 9, приваренными к опорам.
Между опорами бака и опорами, прикрепленными к крыльям, установлены резиновые уплотнения 5.
Топливный бак неразъемный. Он сварен из листовых штампованных половин. Внутри бака имеется шесть перегородок для уменьшения колебаний топлива при движении трактора. В перегородках сделаны вырезы, через которые свободно перетекает топливо. В днище топливного бака установлены сливной 6 и проходной 7 краны и приварена бонка с конической резьбой, к которой через ниппель подсоединена трубка для слива топлива от форсунок. К верхней плоскости бака приварена заливная горловина.
В заливную горловину бака вставлен сетчатый фильтр с сеткой и топливомерная линейка. Фильтр удерживается в горловине бака пружинным кольцом. Сверху горловина бака закрывается крышкой 2. Через отверстие в крышке внутренняя полость бака сообщается с атмосферой. Чтобы через это отверстие внутрь бака не попадала пыль, в крышке имеется набивка.
При заправке топливного бака вручную в воронку с сеткой вставляют полотно (фланель, сукно ворсистой стороной наружу). Заправочный инвентарь хранят в пыленепроницаемом ящике и содержат в чистоте.
Чтобы удалить топливо из бака, на штуцер сливного крана 6 надевают шланг и вращают штуцер против часовой стрелки. Вместе со свинчивающимся штуцером под давлением топлива будет отходить шайба, освобождая шарик, при этом топливо через шланг будет сливаться в тару.
Для открытия крана 7 его ручку вывинчивают до отказа вниз, что обеспечит поджатие внутренней уплотнительной прокладки к штуцеру и исключит подтекание топлива через уплотнение у ручки, которое возможно кратковременно во время перевода ручки из одного крайнего положения в другое.
В процессе работы трактора не рекомендуется расходовать все топливо.
Топливный бак трактора необходимо содержать в чистоте и заполнять его в конце рабочей смены, чтобы удалить насыщенный влагой воздух и предупредить конденсацию паров воды внутри бака.
Перед заполнением бака его крышку и пробку очищают от пыли. Периодически промывают сетчатый фильтр, открывают кран 6, расположенный на топливном баке снизу, сливают скопившиеся на дне бака осадки, снимают бак и промывают его чистым топливом. Перед промывкой бак тщательно вентилируют, промывают топливом до тех пор, пока через сливной кран не потечет чистое топливо. Набивку 2 (рис. 93) в крышке бака промывают в зависимости от условий работы и одновременно прочищают отверстие в крышке.
Оставлять бак с открытой заливной горловиной и без топлива на длительное время нельзя, так как в него попадают пыль и влага.
Для проверки бака на герметичность в него накачивают воздух под давлением 6—7 кПа (0,6—0,7 кгс/см²) и опускают в водяную ванну; выделяющиеся пузырьки воздуха свидетельствуют о нарушении герметичности бака. Трещины в баке заваривают, заполнив его водой.
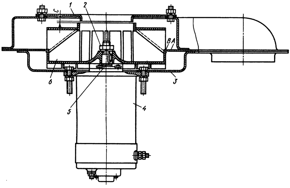
Кабина трактора оборудована вентиляционно-отопительной установкой (рис. 94) калориферного типа с инерционной очисткой воздуха, смонтированной на крыше кабины.
Установка состоит из вентилятора (рис. 95) с электродвигателем и с системой инерционной очистки воздуха, воздуховодов, радиатора-теплообменника 8 (см. рис. 94), трубопроводов 12, 13 подвода и отвода горячей жидкости из системы охлаждения дизеля к радиатору-теплообменнику с разъединительным краником 15 и электропровода с включателем.







